首页
新闻中心
政府信息公开
西咸党建
政务大厅
公众服务
互动交流
中央人民政府门户网站
|
陕西省人民政府
|
西安市人民政府
简
|
繁
|
融媒体矩阵
无障碍浏览
登录
退出
注册
本站支持IPV6
首 页
新闻中心
政府信息公开
西咸党建
政务大厅
公众服务
互动交流
首 页
——
新闻中心
——
政府信息公开
——
西咸党建
——
政务大厅
——
公众服务
——
互动交流
首页
/
新闻中心
/
专题专栏
/
政府网站工作年报
/
2025年
/
新区本级
/
西咸新区
/
正文
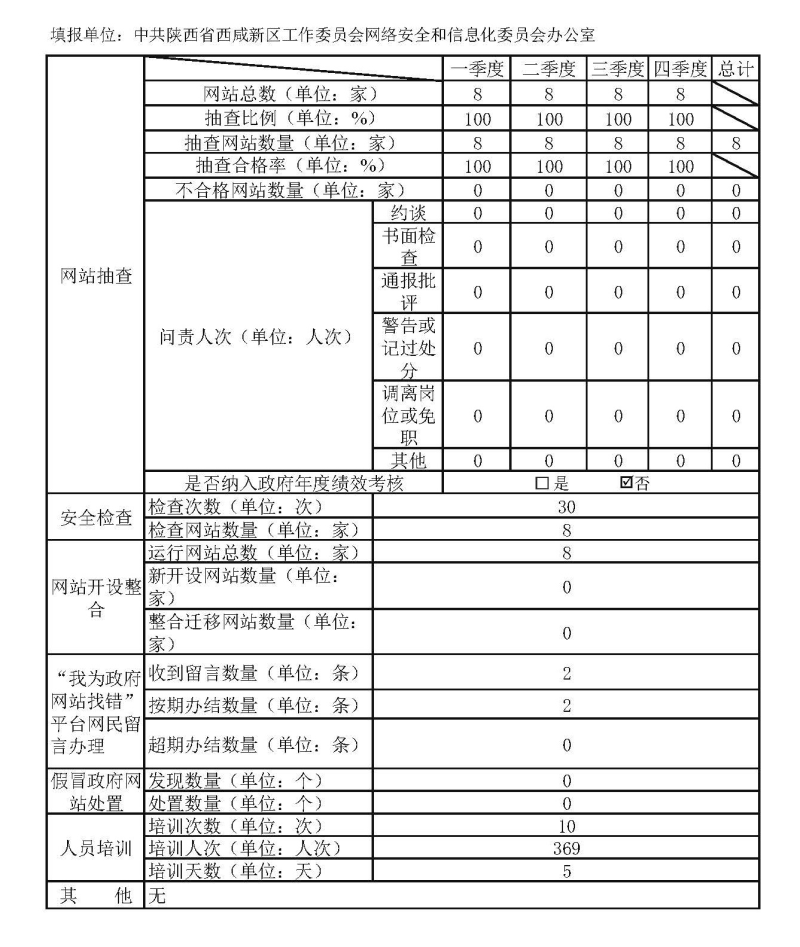
陕西省西咸新区开发建设管理委员会政府网站监管年度报表
浏览次数:
次
发布时间:2026-01-19 16:53
来源:西咸新区
【字体:
大
中
小
】
打印
保存
发布时间:2026-01-19 16:53
来源:西咸新区
填报日期:2026年1月19日
分享:
扫一扫在手机打开当前页